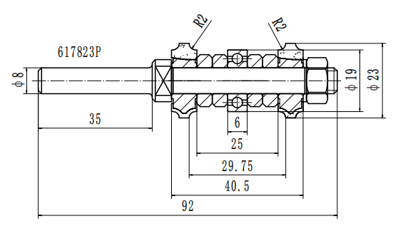
Правильная заточка, высокая стойкость к износу, надежность на разных скоростях — у режущего инструмента много критериев качества. Фреза двойной радиус (поворотные сменные лезвия) D=23xR2x92 S=8 617823P — эталон по всем параметрам. Производитель PROCUT (Китай) выбирает сплавы с лучшими характеристиками, чтобы пользователи получили максимально производительную и эффективную оснастку, которая способна работать в интенсивных режимах и упрощает технологические операции. При общей длине 92 мм она легко и быстро фиксируется в ручных фрезерах, станках и отлично справляется со своими задачами, обеспечивая безупречное качество реза и итоговой поверхности. Подходит в том числе для работы с изделиями, к которым предъявляются строгие требования в плане геометрической точности.
Описание
Характеристики
Диаметр хвостовика, мм
8
Диаметр режущей части, мм
23
Радиус
5
Количество зубьев, шт
2
Производитель
PROCUT
Страна происхождения
Китай
Общая длина, мм
92
Оборудование
Ручной фрезер, Фрезерный станок, ЧПУ станок
Обрабатываемые материалы
ПВХ, МДФ, Дерево, Фанера, ДВП, Ламинат, ДСП
Сплав
Твердый сплав
Тип обработки
Чистовая, Паз
Вид инструмента
Профильные фрезы








































































