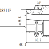
Правильная заточка, высокая стойкость к износу, надежность на разных скоростях — у режущего инструмента много критериев качества. Фреза WPW VE13512 паз V 135 гр. для гибки Alucobond D19 B9,5 хвостовик 12 — эталон по всем параметрам. Производитель WPW (Израиль) выбирает сплавы с лучшими характеристиками, чтобы пользователи получили максимально производительную и эффективную оснастку, которая способна работать в интенсивных режимах и упрощает технологические операции. При общей длине 63 мм она легко и быстро фиксируется в ручных фрезерах, станках и отлично справляется со своими задачами, обеспечивая безупречное качество реза и итоговой поверхности. Подходит в том числе для работы с изделиями, к которым предъявляются строгие требования в плане геометрической точности.
Описание
Подборки товаров в категории







































































