Описание
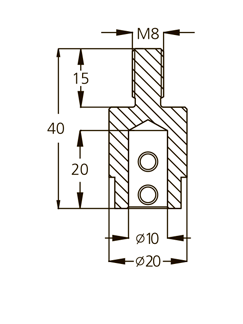
Для идеальной геометрии деталей во многих случаях необходима тщательная обработка предварительно выполненных отверстий конической и цилиндрической форм. Патрон WPW TM08101R присадочный правый для NOTTMEYER D20 L40 — профессиональное решение данной задачи. С инструментом легко работать (от быстрой замены до стабильного выполнения большого числа операций), в том числе за счет продуманной конструкции и оптимизированного веса (120 г). Высокопрочный сплав, который использует производитель WPW (Израиль) для своей оснастки, рассчитан на длительные интенсивные нагрузки. Поэтому инструмент пользуется высоким спросом у профессионалов.
Характеристики
Производитель
WPW
Страна происхождения
Израиль
Общая длина, мм
40
Диаметр
20
Сплав
Лезвия из субмикронного невыгорающего сплава.
Вес
120 г






























































